Ограничители
Ограничители
Ограничители перенапряжений ОПНП 3, 6, 10 кВ
Ограничители перенапряжений ОПНП предназначены для защиты от коммутационных и грозовых перенапряжений электрооборудования сетей с изолированной или компенсированной нейтралью напряжением 3, 6, 10 кВ переменного тока частотой 50 Гц.
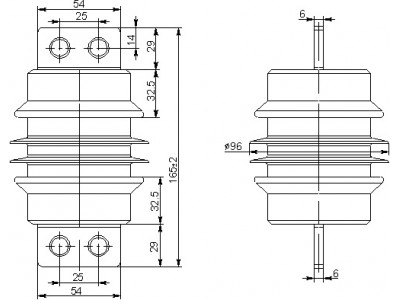
Ограничители ОПНП 3, 6, 10 кВ представляют собой защитные аппараты опорно-подвесного типа, состоящие из последовательно соединенных оксидно-цинковых варисторов, заключенных в полимерный герметизированный высокопрочный корпус, оконцованный металлическими фланцами.
По заказу ограничители могут комплектоваться кронштейнами.
Ограничители ОПНП соответствуют требованиям ТУ 3414-002-15207362-2003.
Технические характеристики ограничителей перенапряжения ОПНП 3, 6, 10 /550/УХЛ1 (2)
|
Высота Н, мм |
Масса, кг |
|
|---|---|---|
|
ОПНп-3/550/…-УХЛ1 |
165±2 |
1,2±0,1 |
|
ОПНп-6/550/…-УХЛ1 |
215±2 |
2,0±0,1 |
|
ОПНп-10/550/…-УХЛ1 |
255±2 |
2,5±0,1 |
Технические характеристики ограничителей перенапряжения ОПНП-6/550/(6,0-7,2)-10-III-УХЛ1
|
Высота Н, мм |
Масса, кг |
|
|---|---|---|
|
ОПНп-3/550/…-УХЛ2 |
80±1 |
0,9±0,2 |
|
ОПНп-6/550/…-УХЛ2 |
120±1 |
1,4±0,2 |
|
ОПНп-10/550/…-УХЛ2 |
160±1 |
1,8±0,2 |
Общие характеристики ОПНП 3, 6, 10 кВ
|
Наименование параметра |
Норма для исполнения |
|||||||||
|---|---|---|---|---|---|---|---|---|---|---|
|
ОПНп- |
ОПНп-6/550/…УХЛ1(2) |
ОПНп-10/550/…УХЛ1(2) |
||||||||
|
Класс напряжения сети, кВ |
3 |
6 |
10 |
|||||||
|
Наибольшее длительно допустимое рабочее напряжение ограничителя, кВ (действ.) |
3,6 |
6,0 |
6,6 |
7,2 |
7,6 |
10,5 |
11,5 |
12 |
12,7 |
|
|
Номинальное напряжение ограничителя, кВ |
4,50 |
7,50 |
8,25 |
9,00 |
9,50 |
13,1 |
14,4 |
15,0 |
15,9 |
|
|
Номинальный разрядный ток, кА |
10 |
|||||||||
|
Остающееся напряжение при грозовых импульсах тока 8/20 мкс, кВ с амплитудой: |
|
|||||||||
|
- 5000 А |
10,6 |
17,7 |
19,5 |
21,3 |
22,5 |
31,0 |
34,0 |
35,5 |
37,5 |
|
|
- 10000 А |
11,5 |
19,2 |
21,1 |
23,0 |
24,3 |
33,6 |
36,8 |
38,4 |
40,6 |
|
|
- 20000 А |
13,0 |
21,6 |
23,8 |
25,9 |
27,4 |
37,8 |
41,4 |
43,2 |
45,8 |
|
|
Остающееся напряжение при коммутационных импульсах тока 30/60 мкс, кВ с амплитудой: |
|
|||||||||
|
- 250 А |
8,56 |
14,3 |
15,7 |
17,1 |
18,1 |
25,0 |
27,4 |
28,5 |
30,2 |
|
|
- 500 А |
8,94 |
14,9 |
16,4 |
17,9 |
18,9 |
26,1 |
28,6 |
29,8 |
31,5 |
|
|
- 1000 А |
9,50 |
15,8 |
17,4 |
19,0 |
20,0 |
27,7 |
30,3 |
31,7 |
33,5 |
|
|
Остающееся напряжение при быстронарастающих импульсах тока 1/10 мкс с максимальным значением 10000 А, кВ не более |
11,8 |
19,7 |
21,7 |
23,7 |
25,0 |
34,5 |
37,8 |
39,4 |
41,7 |
|
|
Ток пропускной способности, А |
550 |
|||||||||
|
Количество воздействий импульсов тока: |
|
|||||||||
|
при прямоугольных импульсах тока 8/20 мкс с максимальным значением 550 А, не менее |
20
|
|||||||||
|
при грозовых импульсах тока 8/20 мкс с максимальным значением 10000А, не менее |
||||||||||
|
при импульсах большого тока 4/10 мкс с максимальным значением 100 кА, не менее |
2 |
|||||||||
|
Классификационное напряжение ограничителя (при классификационном токе Iкл=2 мА), кВ не менее |
4,54 |
7,56 |
8,32 |
9,07 |
9,58 |
13,2 |
14,5 |
15,1 |
16,0 |
|
|
Способность к рассеиванию нергии расчетного прямоугольного импульса 2000 мкс, кДж не менее |
11,7 |
19,4 |
21,4 |
23,3 |
24,6 |
34,0 |
37,3 |
38,9 |
41,1 |
|
|
Удельная рассеиваемая энергия, кДж/кВ не менее |
3,24 |
|||||||||

